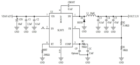
在高压供电场景的电源设计中,工程师往往需要兼顾宽输入适应性、全负载效率与长期可靠性,同时还要应对供应链的稳定性需求。森利威尔推出的 SL3073,正是针对这类需求开发的国产异步降压芯片,凭借 120V 的耐压能力、4V 至 65V 的宽输入范围与 3A 的输出能力,为工业、车载等领域的高压电源设计提供了高性价比的解决方案。
覆盖全场景的宽输入电压范围
对于需要兼容多种供电总线的设计而言,输入电压的适应性是核心需求之一。SL3073 支持 4V 至 65V 的连续输入电压范围,可直接覆盖 12V、24V、48V 等工业与车载领域的主流供电标准,同时也能适配多串锂电池组的供电场景,无需额外的前端降压电路即可完成高压到低压的转换。
该芯片的开关管最小导通时间仅为 120ns,这一特性使得它在高压转低压的大占空比场景下依然可以正常工作,解决了不少高压芯片在高输入、低输出场景下无法正常调节输出的痛点,让 65V 输入转 5V 这类极端降压需求也能轻松实现。

全负载范围的高效率控制策略
电源转换效率直接决定了系统的发热水平与能耗表现,尤其是在宽负载变化的场景中,全区间的高效率是设计的关键。SL3073 采用峰值电流模式控制架构,同时集成了 260mΩ 的高边功率 MOS 管,在重载场景下可以有效降低导通损耗,保证大电流输出时的转换效率。
针对轻载待机场景,该芯片支持脉冲跳跃调制(PSM)模式,在负载电流较低时,芯片会自动跳过部分开关周期,减少开关损耗与栅极驱动损耗,配合仅 110uA 的静态工作电流,让轻载场景下的效率也能维持在较高水平,有效降低系统的待机功耗,延长电池供电设备的续航时间。

全面完善的系统保护机制
在复杂的工业与车载环境中,电源系统往往会面临各类异常工况,完善的保护机制是系统长期可靠运行的保障。SL3073 内置了多重保护功能,覆盖了电源工作的各类异常场景:
• 逐周期过流保护:实时监测开关管电流,在每个周期内限制电流峰值,避免过流损坏;
• 热关断保护:当芯片结温过高时自动关断,温度恢复后重新启动,避免过热损坏;
• 输出过压、过载保护:监测输出状态,在输出异常时及时保护后级电路;
• 输入欠压锁定:当输入电压过低时锁定芯片工作状态,避免低压下的异常工作;
• 频率折返短路保护:在短路故障发生时,自动降低开关频率,为电感电流提供足够的泄放时间,避免短路电流过大损坏器件。
除此之外,芯片还内置了 2.5ms 的固定软启动功能,在启动阶段线性提升输出电压,有效抑制启动时的浪涌电流,避免对前级供电系统造成冲击。同时,芯片还支持低压差工作模式,在输入输出压差极小时,高边开关管可以保持长时间导通,有效占空比可接近 100%,保证电池低压阶段系统依然可以正常工作。
灵活易用的设计便利性
对于硬件工程师而言,芯片的设计灵活性与易用性可以大幅缩短开发周期,降低设计难度。SL3073 提供了多项可配置的功能,适配不同的设计需求:
开关频率支持 100kHz 至 2MHz 的范围调节,工程师仅需通过一个外部电阻即可完成频率配置,根据系统需求选择合适的工作频率 —— 如果需要更小的外围电感与电容,可以将频率调高,压缩方案的整体体积;如果需要更高的转换效率,则可以选择较低的工作频率,降低开关损耗。
芯片还提供了外部环路补偿引脚,允许工程师根据不同的输出电容类型与负载特性,灵活调整环路的补偿参数,既可以优化系统的稳定性,也可以提升负载响应速度,无论是陶瓷电容还是电解电容的方案,都可以轻松适配。
同时,SL3073 采用了紧凑的 ESOP8 封装,体积小巧,非常适合空间受限的紧凑型设计。其典型应用电路的外围元件极少,工程师可以直接参考标准方案快速完成设计,大幅降低开发难度。

多元场景的适配能力

凭借上述的特性,SL3073 可以适配多种高压供电的应用场景:
在工业自动化领域,它可以为工业控制设备、电机驱动系统提供稳定的辅助电源,兼容工业现场的 48V 供电总线;在车载系统中,它可以适配车载 24V 供电,为车载电子设备提供稳定的低压输出,同时应对车载环境的复杂工况;在电信电源系统中,它可以完成 48V 总线到低压的转换,为通信设备提供稳定的供电;此外,它还可以用于各类高压功率转换场景,为各类高压输入的设备提供可靠的降压方案。
作为一款国产芯片,SL3073 不仅在性能上可以对标国际同类产品,拥有良好的兼容性,可以直接完成替代,同时还拥有更稳定的供应链与更快速的本地技术支持,帮助工程师解决供应链风险,加速产品的开发落地。